技術電話:17301986536加盟電話:13689528587

平行梁傳感器MK706-G
MK706-G 平行梁稱重傳感器(合金鋼)
產品特點:MK706-G 鋼制平行梁稱重傳感器采用金屬外殼防護,且通過四角調整保證其在規定的受載平面內各點輸出一致。產品結構形式簡單,使用方便。
產品用途:MK706-G 平行梁稱重傳感器適用于包裝秤、電子皮帶秤及配料秤等。
量程: 500N(50kg)、1 kN(100kg)、1.5 kN(150kg)、2 kN(200kg)、3 kN(300kg)、5 kN(500kg)、7 kN(700kg)、10 kN(1000kg)
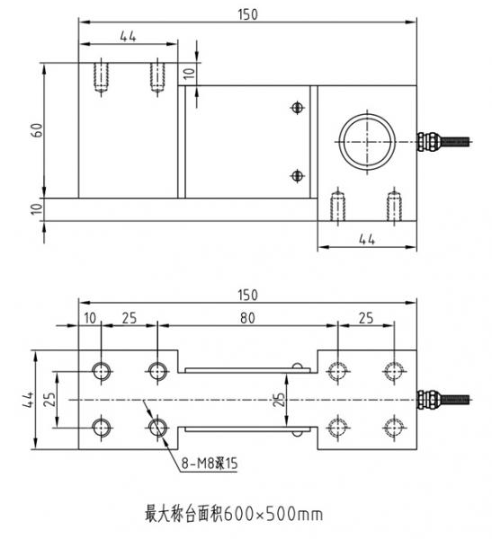
技術參數及外形尺寸:
序號 | 產品技術參數 | |
1 | 額定載荷 | 50-1000kg |
2 | 綜合精度 | 0.02-0.05%F.S |
3 | 額定輸出 | 2.0mV/V |
4 | 蠕變 | ±0.02%F.S/30min |
5 | 零點輸出 | ±1%F.S |
6 | 零點溫度影響 | ±0.02%F.S/10℃ |
7 | 輸出溫度影響 | ±0.02%F.S/10℃ |
8 | 輸入阻抗 | 380±10Ω |
9 | 輸出阻抗 | 350±3Ω |
10 | 絕緣阻抗 | >5000MΩ |
11 | 工作溫度范圍 | -20~65℃ |
12 | 安全過載 | 120%F.S |
13 | 推薦工作電壓 | 10DC |
14 | 接線方式 | 紅……E+(輸入正) 黑……E-(輸入負) 綠……S+(輸出正) 白……S-(輸出負) |

密克傳感器(深圳)有限公司是傳感器源頭生產廠家,致力于測力傳感器的研發生產。產品達百余種,廣泛應用于各種工業自動化、機器人、化工、食品、冶金以及醫療等新型和智能化高端領域。按結構分有輪輻式傳感器,S型傳感器,波紋管傳感器,法蘭盤傳感器,柱式傳感器,扭矩傳感器,平行梁傳感器,拉力傳感器等等,按功能應用場景分有試驗機專用傳感器,攪拌站傳感器,稱重傳感器,包裝機傳感器,壓裝機傳感器,價格美麗,可定制。
密克斯生產的MK706-G 平行梁稱重傳感器適用于包裝秤、電子皮帶秤及配料秤等。
